230℃以下解决方案
发布人:admin来源:本站原创时间:2016年05月24日
Curly Graphene with Specious Interlayers Displaying Superior Capacity for Hydrogen Storage, J. Phys. Chem. C, 2013, 117 (48), pp 25845–25851,
200℃

Novel bismuth nanotube arrays synthesized by solvothermal method, Chem. Phys. Lett., 374 (2003) 348.
200℃/12h
Ferromagnetic FePt Nanowires:Solvothermal Reduction Synthesis and Characterization. Small, 2(2006), 235.
180℃/4days-6days
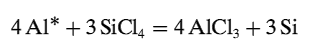
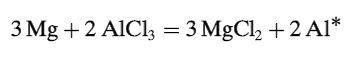
Preparation of Nanocrystalline Silicon from SiCl4 at 200 °C in Molten Salt for High-Performance Anodes for Lithium Ion Batteries, Angew. Chem., 54(2015), 3822.
200℃, AlCl3(熔点190度) 熔盐体系